



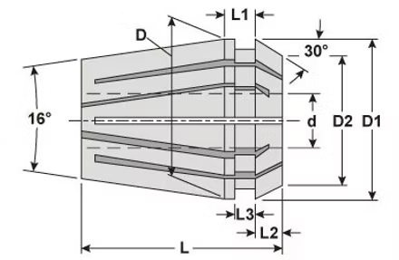
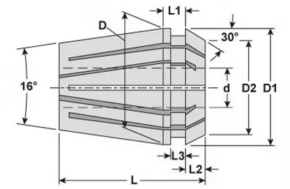
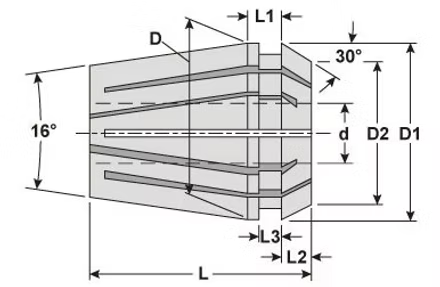
Product Description
The standard ER Collets is the most widely used clamping system in the world.
Made from Alloy spring steel and fully hardened these ER Collets are ideal for many machining applications including boring, milling, reaming, tapping and grinding. LC is low cost series.
Install ER Collet
- Put collet into nut, turn the clamp spring lightly. When eccentric part of nut fits into clamp spring, push the spring in arrow pointed direction.
- Install clamp spring and nut together onto collet body or main shaft of machine. Clean and fit the shaft of the tool into clamp hole and press tight the fixing nut with wrench until the lathe tool is fully fixed.
- While changing cutting tool, screw out nut and collet with wrench. Then dismount cutting tool and push out clamp spring in arrow pointed direction. Then you can change the suitable clamp spring.
Type of Product : ER Collets
ER Type : ER- 20
Collet Holder Dia (mm) : 12 mm
Frequently Asked Questions
No FAQs available for this product.